Contact Vinidex Customer Service for availability of products on this page.
Contact Vinidex Customer Service for availability of products on this page.
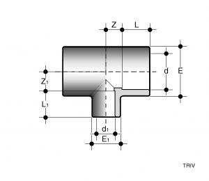
| Vinidex Code | Nominal Size (mm) | PN | d (mm) | d1 (mm) | L (mm) | L1 (mm) | Z (mm) | Z1 (mm) | E (mm) | E1 (mm) | Approx. Weight (kg) |
| 30436 | 200-150 | 10 | 225 | 160 | 129 | 87 | 86 | 129 | 285 | 193 | 4 |
| 30398 | 250-150 | 10 | 280 | 160 | 146 | 88 | 84 | 153 | 320 | 193 | 16.2 |
| 30399 | 250-200 | 10 | 280 | 225 | 146 | 117.5 | 117 | 150.5 | 320 | 320 | 18.2 |
| 30400 | 300-150 | 8 | 315 | 160 | 164 | 86 | 83 | 161 | 355 | 355 | 22.3 |
| 30401 | 300-200 | 8 | 315 | 225 | 164 | 106 | 102 | 179 | 355 | 355 | 30.3 |
| 30387 | 300-225 | 8 | |||||||||
| 30403 | 375-300 | 5 | 400 | 315 | 165 | 280 | 302 | 432 | 432 | 32 |